說明:
建設單位向我鎮申請鄉村建設工程規劃許可證,根據有關規定,現將規劃許可事項向相關利害關系人進行公示,并公開征詢意見。
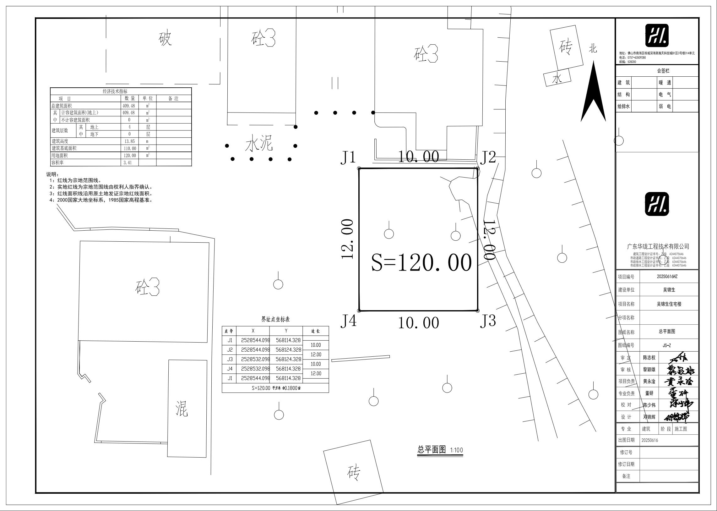
公示項目:吳錦生住宅樓鄉村建設工程規劃許可批前公示
項目位置:郁南縣河口鎮甘羅村委下村
建設單位:吳錦生
公示期限:2025年10月28日至2025年11月6日
公示時間:10日
公示媒介:郁南政府信息網
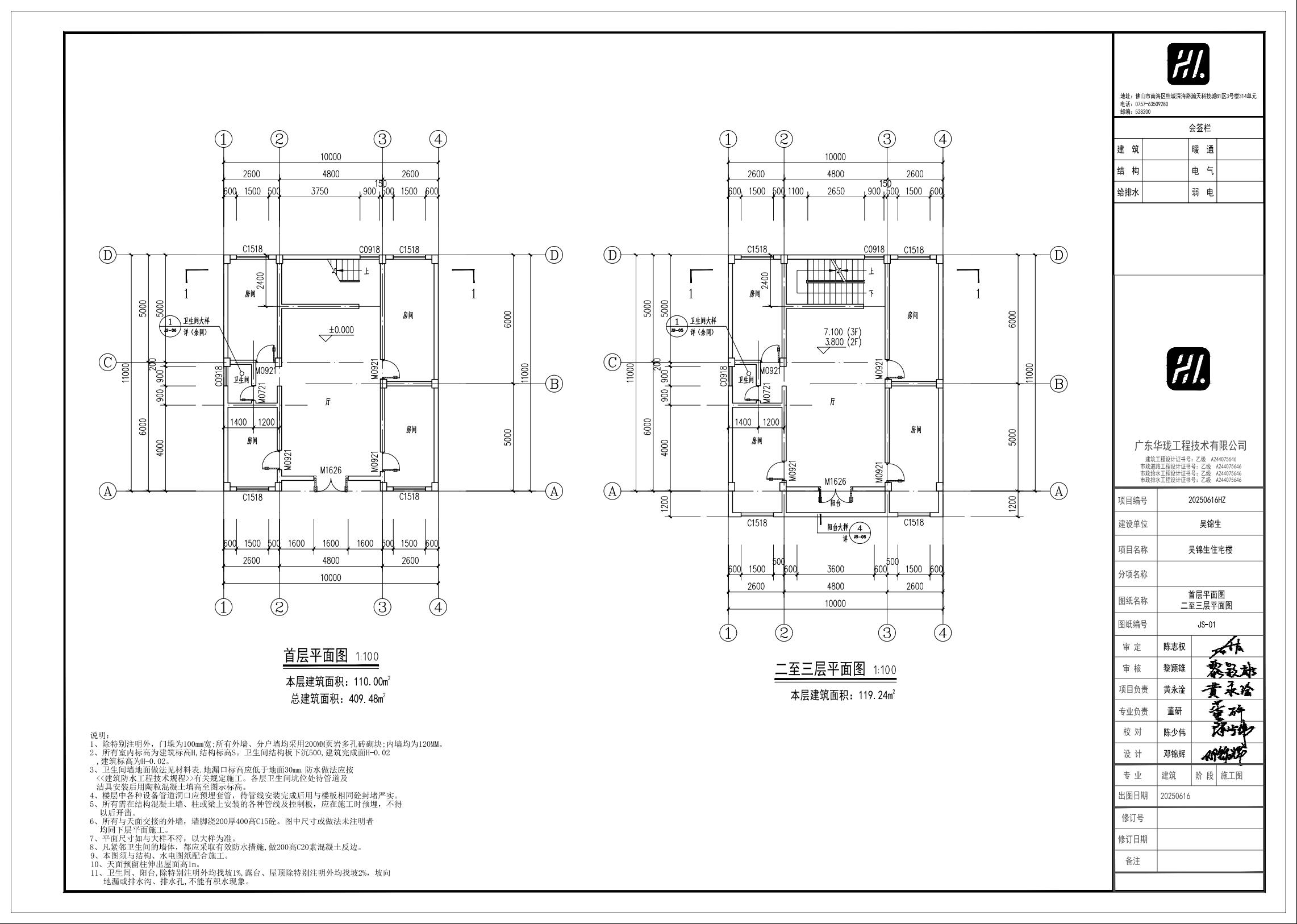
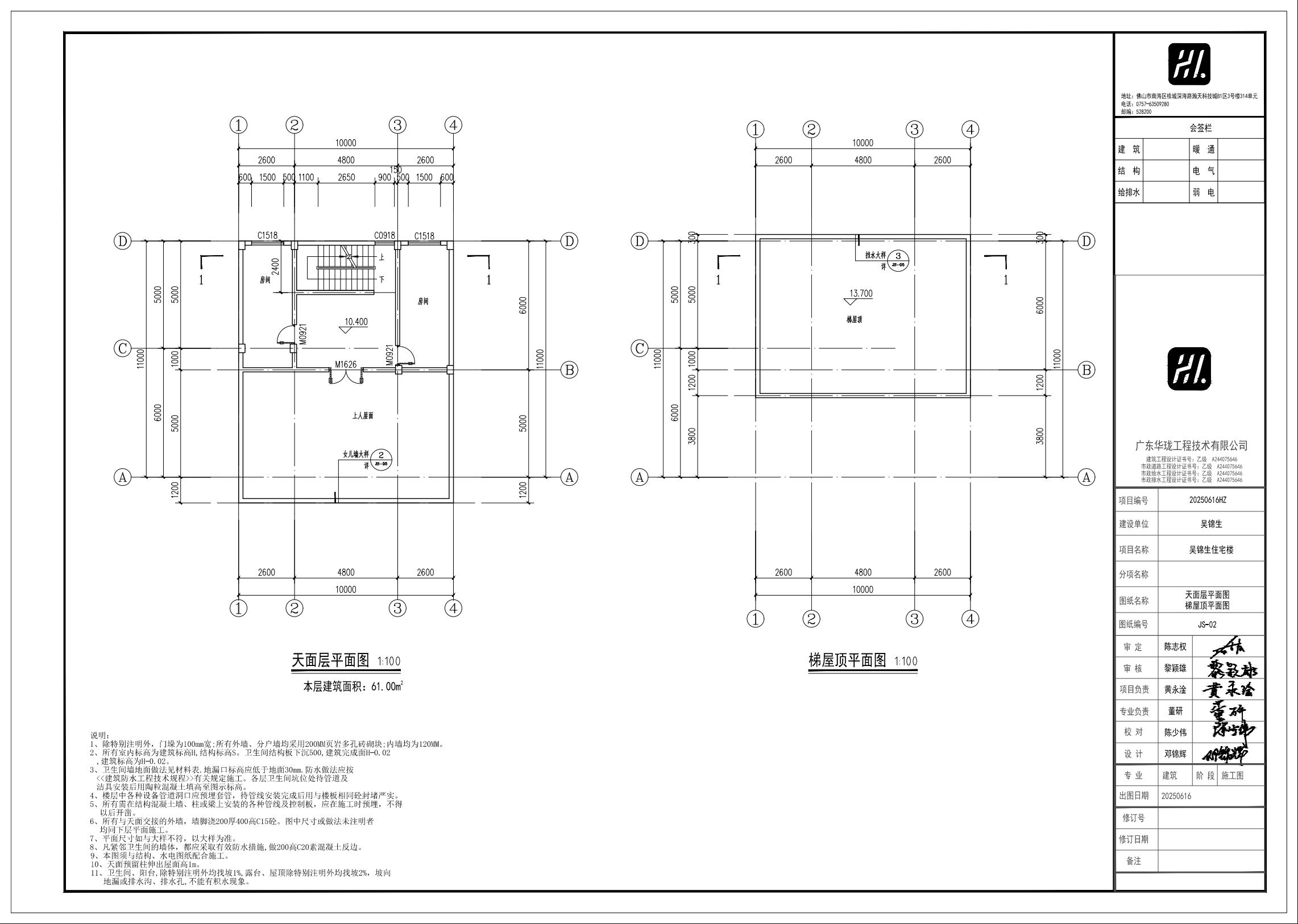
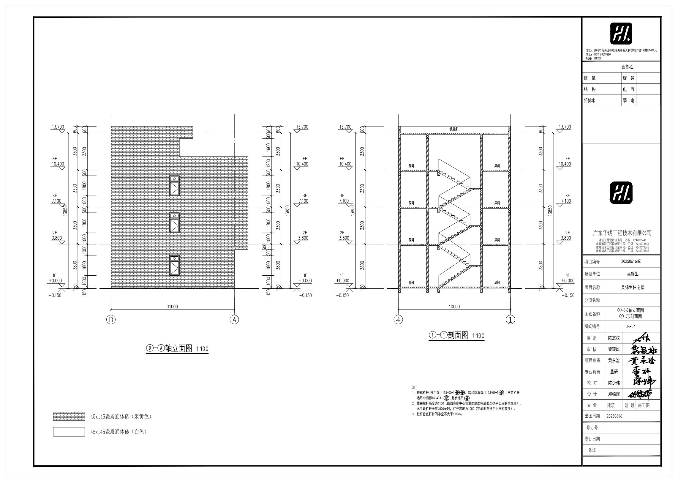
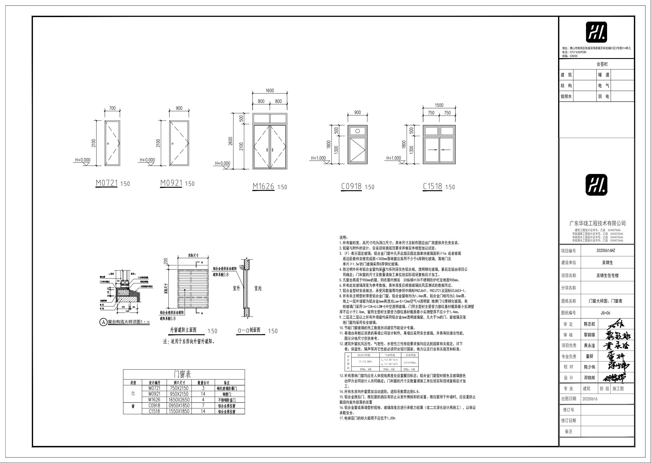
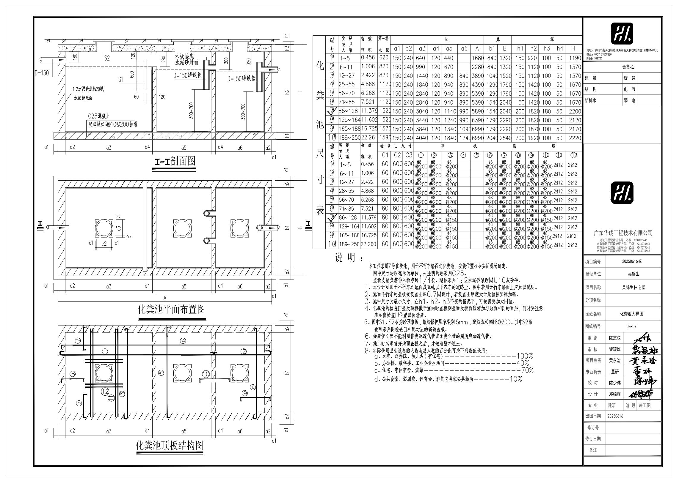
工程概況:本項目用地面積120平方米,可建設用地面積120平方米,原則上符合規劃。本項目擬新建1棟4層住宅樓,基底面積110平方米,建筑面積409.48平方米,建筑高度13.85米。
附注:
一、下圖僅為示意圖,作征詢之用,以最后審批為準。
二、意見反饋方式
1、來函請郵寄:郁南縣河口鎮人民政府大院郵編:(527126)
2、咨詢電話:0766-7618513
3、電子郵箱:hkgt7618513@163.com
三、有效意見反饋期限:公示期限內。信函反饋意見郵戳日不應超過公示期限最后一天,其他方式反饋意見發表時間不應超過公示期最后一天24:00,逾期視為無效意見不予采納。
四、有效反饋意見:請注明聯系人真實姓名及聯系方式,如反饋意見信息不準確或不完整造成無法及時進一步核對有關情況的視為無效意見。












公安機關備案標識碼:44532202000109